The IS type horizontal centrifugal pump is a single suction, single stage, cantilever centrifugal pump with 34 basic types and 242 specifications in total. It used to pump clean water or non-corrosive...
Performance rangePerformance range: Inlet Diameter: 50~400mm Capacity Q: 2.7-1920 m³/h Head H: 2.7-145 m Power P: 1.1-280kw..
Application EnvironmentIS, ISR horizontal single stage single suction clear water centrifugal pump, can be used for industrial, agricultural, fire fighting, urban water supply and drainage,etc...
Hotline:8613021505120
Product Overview:
The IS type horizontal centrifugal pump is a single suction, single stage, cantilever centrifugal pump with 34 basic types and 242 specifications in total. It used to pump clean water or non-corrosive liquids. The maximum temperature of the medium is 80 degrees. Both soft packing and mechanical seals are available for the shaft seal of pump. The ISR type hot water pump cools the shaft seal part (using normal temperature and clear water), and the medium to be conveyed can reach 130 degrees. By cooling the shaft seal (using normal temperature water), the medium delivered by the ISR type hot water pump can reach 130 degrees.
Product characteristic:
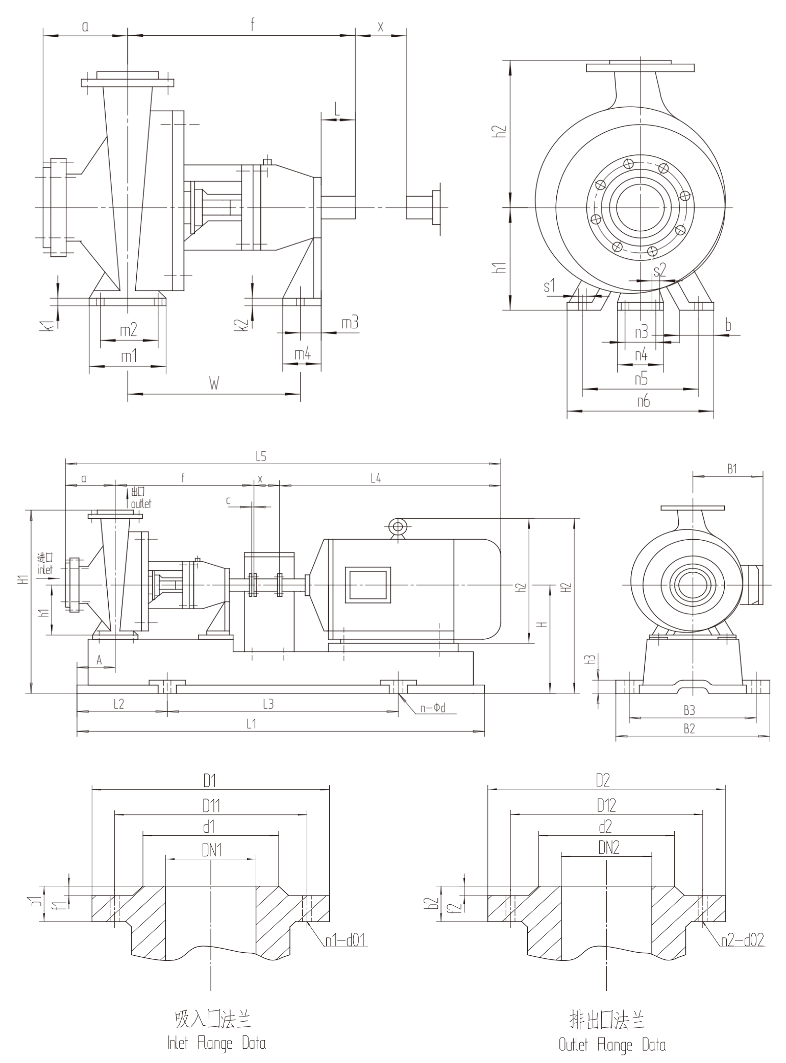
- The IS and ISR pumps are designed according to the performance and dimensions specified in the national standard ISO2858, mainly consisting of pump body, pump cover, impeller, shaft, seal ring, shaft sleeve and suspension bearing.
- The body and cover of the IS and ISR pumps are split from the back of the impeller, which is commonly called back pull out structure.The advantage is that the maintenance is convenient.It is no need to move the pump body, suction line, discharge line and motor during the inspection.To disassemble the intermediate part of extension coupling, the rotor part can be take out for inspection.
- The pump casing (ie pump body and pump cover) constitutes the working chamber.The impeller, shaft and rolling bearing are the rotor of the pump.The suspension bearing component supports the rotor component of the pump. The rolling bearing bears the radial and axial forces of the pump.
- In order to balance the axial force of the pump, most of the pumps have a sealing ring on the front and back of the impeller, and a balance hole is arranged on the back cover of the impeller. Since some pumps have few axial force, there are no seal rings and balance holes on the back of the impeller.
- The shaft sealing consists of packing gland, packing ring and packing to prevent air intake or large leakage.If the impeller of the pump has a balance hole, the cavity with the soft packing will communicate with the suction port of the impeller. If the liquid at the inlet of the impeller is in a vacuum state, it is easy to take in air along the surface of the sleeve. Therefore, a packing ring is placed in the filling chamber to guide the pressurized water in the pump chamber to the packing ring through a small hole in the pump cover for sealing. If the impeller of the pump has no balance hole, since the liquid pressure on the back of the impeller is greater than atmospheric pressure, there is no gas leakage problem, so the packing ring is not necessary.
- In order to avoid shaft wear, shaft sleeve is provided at the filling chamber where the shaft passes to protect. An O-ring seal is placed between the sleeve and the shaft to prevent air intake or leakage along the matching surface.
- Pump transmission mode: it is connected with the motor by extended elastic coupling.The direction of pump rotation: from the drive side, it rotates clockwise.







