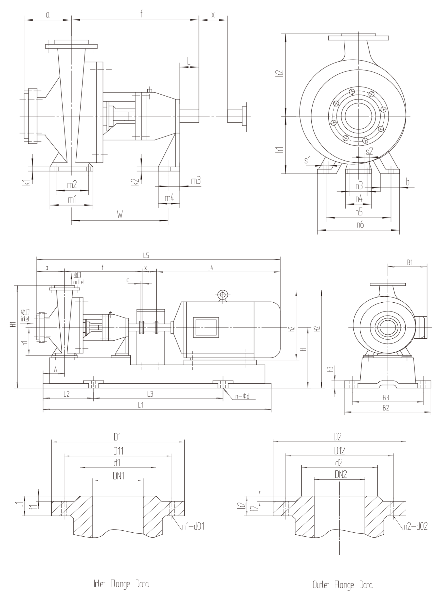
The IH chemical pump is a single-stage single-suction cantilever centrifugal pump for conveying neutral or corrosive media or petroleum products at temperatures between -20 ° C and 105 ° C.
Performance rangePerformance range: Inlet Diameter: 50~400mm Capacity Q: 2.7-1920 m³/h Head H: 2.7-145 m Power P: 1.1-280kw..
IH type chemical pump is suitable for chemical, petroleum, metallurgy, electric power, paper, food, pharmaceutical, environmental protection, waste water treatment and synthetic fiber industries. It is used to transport various corrosive liquid or liquid which is not allowed to be contaminated watery media...
Hotline:8613021505120
Product Overview
The IH chemical pump is a single-stage single-suction cantilever centrifugal pump for conveying neutral or corrosive media or petroleum products at temperatures between -20 ° C and 105 ° C.
Product Characteristic
The shaft seal of the pump has a variety of structural forms, the most commonly used is a built-in unbalanced single-end mechanical seal. Depending on the working conditions, external, non-balanced or double-faced mechanical seals are also available.Regarding the flushing cooling method,both internal flushing type and external flushing type are available.Sealing additional device can be mounted as well. For media with suspended particles or less corrosive,soft packing seal (external or internal flush) can also be used.







