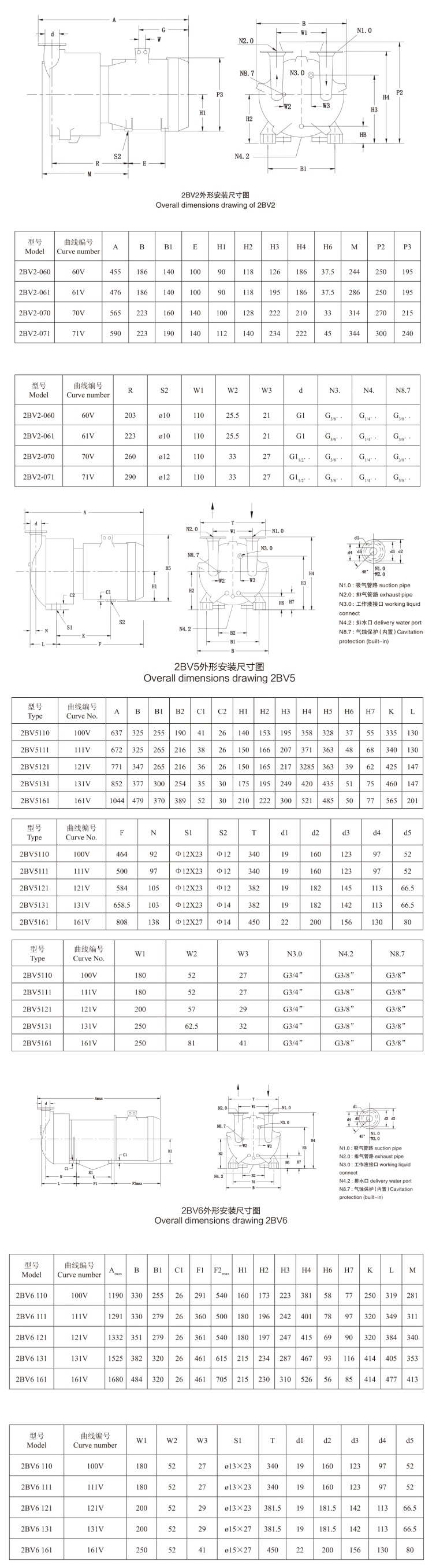
The 2BV series vacuum pump is suitable for pumping out gas and water vapor, and the suction pressure can reach 33 mbar absolute pressure (97% vacuum).When the vacuum pump is operated under the conditi...
Performance rangeMaximum pumping capacity: 0.45-8.33m³/min Ultimate vacuum: 33hPa Power:0.81-15kw..
Application Environment2BV2 and 2BV5,suitable for pumping dry and wet gases, mainly non-flammable, non-corrosive atmosphere and atmospheric / steam mixture. 2BV6 is suitable for pumping flammable and explosive gases...
Hotline:8613021505120
Product Overview
The 2BV series vacuum pump is suitable for pumping out gas and water vapor, and the suction pressure can reach 33 mbar absolute pressure (97% vacuum).When the vacuum pump is operated under the condition that the suction pressure is lower than 80 mbar for a long time, the cavitation protection tube should be connected to protect the pump.If equipped with an atmospheric injector, the suction pressure can be up to 10 mbar and the injector can be mounted directly on the vacuum pump. When used as a compressor, the pressure is up to 0.26 MPa (absolute)
Product Characteristic
1) The motor and pump are connected directly and coaxially to save space.It is easy to install.
2) Mechanical seals are adopted as standard configuration, eliminating leakage, easy maintenance.
3) The operation is stable and the noise can be as low as 62 decibels.
4) Corrosion-resistant design, bronze impeller improves pump corrosion resistance, stainless steel is more suitable for more demanding applications.
5) The unique flexible vent design eliminates over-compression and ensures 2BV is most efficient in its performance range.
Example of model selection:
①Design point parameters:
Suction volume v=100m³/h
Suction pressure P1=40mbar
② Other parameters are the same as the standard status (see note)
Select the curve closest to design point 1.
③In this case, 71V
Find the corresponding product model according to the curve number
(ie, the Model code, but only for the standard type)
As in this example, the pump type can be found from 71V as
2BV2071-ONC06-1p.
Note: This performance curve is obtained in a state where the suction medium is saturated air of 20℃, the working fluid temperature is 15℃, and the exhaust pressure is 1013 mba.The performance tolerance is ±10%, and the performance curve of the atmospheric injector is shown on the left side of the figure.



