2BEC series water ring vacuum pump and compressor are high-efficiency energy-saving products developed by our company based on years of scientific research achievements and production experience, comb...
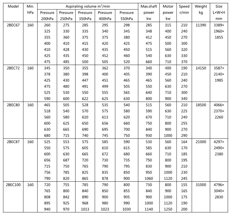
Performance rangeMaximum pumping capacity: 74-1140m³/min Minimum suction absolute pressure: 160hPa Power:90-1250kw..
Application EnvironmentIt is used to pump corrosive gases or corrosive liquids as working fluids. Widely used in paper, chemical, petrochemical, light industry, pharmaceutical, food, metallurgy, building materials, electrical appliances, coal washing, mineral processing, fertilizer and other industries...
Hotline:8613021505120
This series of pumps adopts single-stage single-acting structure, which has the advantages of simple structure, convenient maintenance, reliable operation, high efficiency and energy saving. It can adapt to sever working condition such as large displacement and load shock fluctuations.
We have optimized the design of key components such as distribution plates, impellers and pump shafts. To Simplify the structure, improve performance, and achieve energy savings.The welding impeller is used, the blade is stamped and formed once, and the profile is reasonable;The wheel hub is completely processed, which fundamentally solves the problem of dynamic balance.The impeller and the pump shaft adopt hot-filled interference fit, which has reliable performance and stable operation.After the impeller is welded, the whole heat treatment is carried out as a whole, and the blade has good toughness, so that the impact resistance and bending resistance of the blade are fundamentally guaranteed, and it can adapt to the severe working conditions of load shock fluctuation.
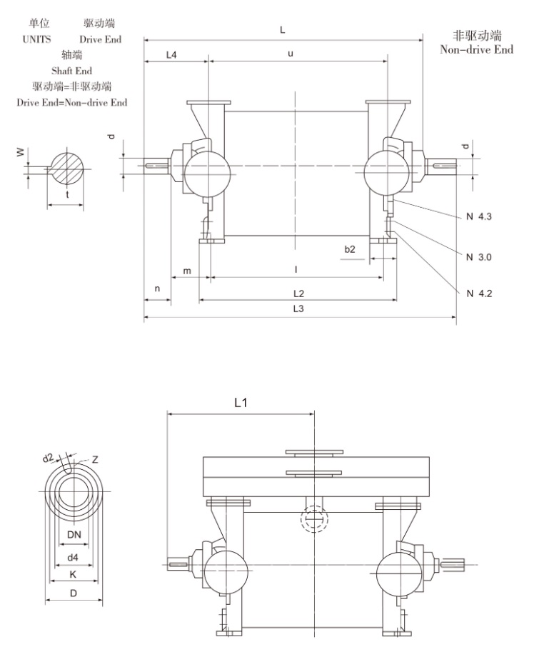
2BEC series pump has moisture separator. Exhaust port are arranged at multiposition.The pump cover is provided with an exhaust valve inspection window. The gap between the impeller and the distribution plate is adjusted by the gland at both ends of the positioning bearing.The installation and use are convenient, the operation is simple, and the maintenance is convenient.
Our company's vacuum pumps are strictly inspected and tested by the testing center.The performance is superior, reliable and durable.





